Inserting type -UPVC two way electric valve Motorized valve
A150-T50-P2-B

1. Beautiful appearance, compact structure, high precision, large output torque, service life is not less than 70,000 times.


2. The actuator and valve can be assembled from multiple angles, which is convenient for users to allocate space.


3. Ball valve adopts floating soft seal structure, no drip leakage, suitable for heavy dirt and long-term no action occasions.


4. Protection grade IP67, can be used in relatively humid environment.


Product model
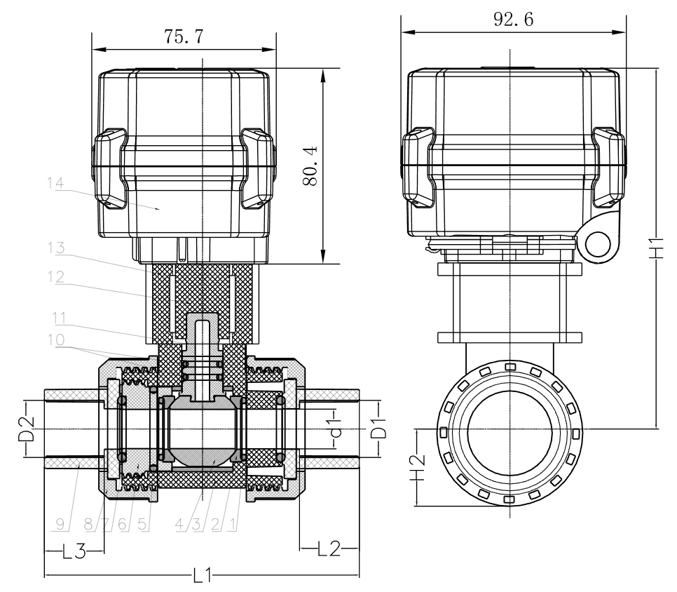
Installation
Mobile View
Technical parameters
Valve size
NPT/BSP/No Thread Glued Type 1/2" 3/4" 1" 1 1/4" 1 1/2" 2"(Optional)
Maximum working pressure
1.0MPa
Circulation medium
Fluid、air
Working voltage
DC12V DC24V AC24V DC12-24V AC110-230V
Wiring diagram
CR201 CR202 CR301 CR303 CR306 CR501 CR502 CR702 CR703 CR705 CR706 (optional)
Working current
≤1.5A
Openiclose time
≤12S
Life time
70000times
Valve body material
UPVC
Actuator material
PPO
Actuator rotation
90°
Torque force
15N.m
Cable length
0.5M 1.5M (optional)
Environment temperature
-15℃-50℃
Liquid temperature
2℃-55℃
Manual override
Yes
Open/close indicator
Yes
Protection class
IP67
The assembly diagram
The wiring diagram

CR201 (2 Wires Control)

1.Red connect with positive, Black connect with negative, valve CLOSE, maintain after fully closed.

2.Black connect with negative, Red connect with positive, valve OPEN, maintain after fully open.

* Suitable Working Voltage: DC5V, DC12V, DC24V

* Exceeding the working voltage is forbidden


CR301 (3 Wires Control)

1.Red & Green connect with positive, Black connect with negative.

2.SW connect with Red, valve OPEN, maintain after fully open.

3.SW connect with Green, valve CLOSE, maintain after fully closed.

* Suitable Working Voltage: DC5V, DC12V, DC24V, DC12-24V, AC/DC110-230V

* Exceeding the working voltage is forbidden



CR303 (3 Wires Control)

1.Red & Green connect with positive, Black connect with negative.

2.SW CLOSE, valve OPEN, maintain after fully open.

3.SW OPEN, valve CLOSE, maintain after fully closed.

* Suitable Working Voltage: DC12V, DC24V, DC9-24V, AC/DC9-35V, AC/DC110-230V

* Exceeding the working voltage is forbidden


CR501 (5 Wires Control, With Feedback Signal)

1. Red connect with positive, Black connect with negative, valve CLOSE, maintain after fully closed, Yellow connect with White.

2. Black connect with positive, Red connect with negative, valve OPEN, maintain after fully open, Green connect with White.

* Suitable Working Voltage: DC5V, DC12V, DC24V

* Exceeding the working voltage is forbidden

* Feedback Signal Load Capacity: 0.3A 24VACDC (Resistive Load)


CR702 (7 Wires Control, With Feedback Signal)

1. Red & Green connect with positive, Black connect with negative.

2. SW connect with Red, valve OPEN, maintain after fully open, Blue connect with Gray.

3. SW connect with Green, valve CLOSE, maintain after fully closed, Yellow connect with White.

* Suitable Working Voltage: DC5V, DC12V, DC24V, DC12-24V, AC/DC110-230V

* Exceed the working voltage is forbidden

* Feedback Signal Load Capacity: 0.3A 24VACDC (Resistive Load)

CR703 (7 Wires Control, With Feedback Signal)

1. Red & Green connect with positive, Black connect with negative.

2. SW CLOSE, valve OPEN, maintain after fully open, Blue connect with Gray.

3. SW OPEN, valve CLOSE, maintain after fully closed, Yellow connect with White.

* Suitable Working Voltage: DC12V, DC24V, DC9-24V, AC/DC9-35V, AC110-230V

* Exceed the working voltage is forbidden

* Feedback Signal Load Capacity: 0.3A 24VACDC (Resistive Load)


CR202 (2 Wires Control, Power Off Reset Function)

Normally Closed

1.Red connect with positive, Black connect with negative.

2.SW CLOSE, valve OPEN, maintain after fully open.

3.SW OPEN, valve CLOSE, maintain after fully closed.

Normally Open

1.Red connect with positive, Black connect with negative.

2.SW CLOSE, valve CLOSE, maintain after fully closed.

3.SW OPEN, valve OPEN, maintain after fully open.

* Suitable Working Voltage: AC/DC9-24V, AC/DC9-35V,AC/DC110-230V

* Exceeding the working voltage is forbidden


CR305 (3 Wires Control, Power Off Reset Function)

Normally Closed

1.Red & Green connect with positive, Black connect with negative.

2.SW CLOSE, valve OPEN, maintain after fully open.

3.SW OPEN, valve CLOSE, maintain after fully closed.

4.Valve CLOSE automatically after the external power off.

Normally Open

1.Red & Green connect with positive, Black connect with negative.

2.SW CLOSE, valve CLOSE, maintain after fully closed.

3.SW OPEN, valve OPEN, maintain after fully open.

4.Valve OPEN automatically after the external power off.

* Suitable Working Voltage: AC/DC9-24V, AC110-230V

* Exceeding the working voltage is forbidden


CR306 (3 Wires Control, Power Off Reset Function)

Normally Closed

1.Red & Green connect with positive, Black connect with negative.

2.SW CLOSE, valve CLOSE, maintain after fully closed.

3.SW OPEN, valve OPEN, maintain after fully open.

4.Valve CLOSE automatically after the external power off.

Normally Open

1.Red & Green connect with positive, Black connect with negative.

2.SW CLOSE, valve OPEN, maintain after fully open.

3.SW OPEN, valve CLOSE, maintain after fully closed.

4.Valve OPEN automatically after the external power off.

* Suitable Working Voltage: AC/DC9-24V, AC110-230V

* Exceeding the working voltage is forbidden


CR502 (5 Wires Control, Power Off Reset Function, With Feedback Signal)

Normally Closed

1. Red connect with positive, Black connect with negative.

2. SW CLOSE, valve OPEN, maintain after fully open, Green connect with White.

3. SW OPEN, valve CLOSE, maintain after fully closed, Yellow connect with White.

Normally Open

1. Red connect with positive, Black connect with negative.

2. SW CLOSE, valve CLOSE, maintain after fully closed, Yellow connect with White.

3. SW OPEN, valve OPEN, maintain after fully open, Green connect with White.

* Suitable Working Voltage: DC9-35V, DC9-60V, DC12-24V, AC24V, AC110-230V

* Exceeding the working voltage is forbidden

* Feedback Signal Load Capacity: 0.3A 24VACDC (Resistive Load)


CR705 (7 Wires Control, Power Off Reset Function, With Feedback Signal)

Normally Closed

1. Red & Green connect with positive, Black connect with negative.

2. SW CLOSE, valve OPEN, maintain after fully open, Blue connect with Gray.

3. SW OPEN, valve CLOSE, maintain after fully closed, Yellow connect with White.

4. Valve CLOSE automatically after external power off.

Normally Open

1. Red & Green connect with positive, Black connect with negative.

2. SW CLOSE, valve CLOSE, maintain after fully closed, Yellow connect with White.

3. SW OPEN, valve OPEN, maintain after fully open, Blue connect with Gray.

4. Valve OPEN automatically after external power off.

* Suitable Working Voltage: AC/DC9-24V, AC110-230V

* Exceed the working voltage is forbidden

* Feedback Signal Load Capacity: 0.3A 24VACDC (Resistive Load)


CR706 (7 Wires Control, Power Off Reset Function, With Feedback Signal)

Normally Closed

1. Red & Green connect with positive, Black connect with negative.

2. SW CLOSE, valve CLOSE, maintain after fully closed, Yellow connect with White.

3. SW OPEN, valve OPEN, maintain after fully open, Blue connect with Gray.

4. Valve CLOSE automatically after external power off.

Normally Open

1. Red & Green connect with positive, Black connect with negative.

2. SW CLOSE, valve OPEN, maintain after fully open, Blue connect with Gray.

3. SW OPEN, valve OPEN, maintain after fully open, Yellow connect with White.

4. Valve OPEN automatically after external power off.

* Suitable Working Voltage: AC/DC9-24V, AC/DC110-230V

* Exceed the working voltage is forbidden

* Feedback Signal Load Capacity: 0.3A 24VACDC (Resistive Load)


1.RD& GR connect with positive, the BK connect with negative. 

2.SW CLOSED, the valve OPEN, the actuator automatically power off after in place.

3.SW OPEN, the valve CLOSED, the actuator automatically power off after in place.

4.When extemal power off, the valve OPEN, the actuator automatically power off after in place.

*Suitable Working Voltage: AC/DC9-24V,AC110-230V

*Exceeding the working voltage is forbidden 


Tutorial video
Sample Purchase application
submit
success
fail
wrong
Related product recommendation
© 2015 台州通禾流体控制股份有限公司 浙ICP备13011497号-2 全案策划:KCCN
Consult
whatsapp
Top