
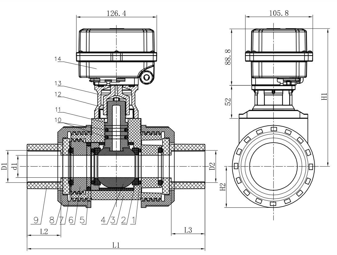
1. Beautiful appearance, compact structure, high precision, large output torque, service life is not less than 30,000 times.
2. The actuator and valve can be assembled from multiple angles, which is convenient for users to allocate space.
3. Ball valve adopts floating soft seal structure, no drip leakage, suitable for heavy dirt and long-term no action occasions.
4. Protection grade IP67, can be used in relatively humid environment.
E-mail: tonheflow@china-tonhe.com
Address:Building 3, Xinshun Sme Pioneer Park, Jiangkou Street, Huangyan District, Taizhou city, Zhejiang Province, China
whatsapp